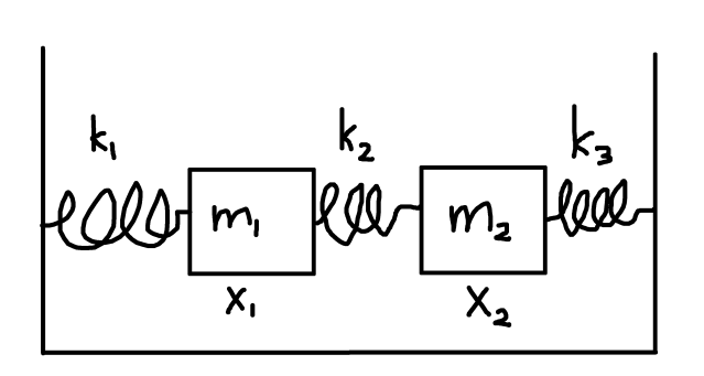
It is a common joke that theoretical physics is just largely the study of a single system – the harmonic oscillator. It is true that this system is primarily the most complicated system that can be fully solved analytically, but it is also true that it is so simple that nearly any high school student […]

Applied mathematics has always fascinated me because it’s all about solving the most simple problems in the most efficient way. Optimization, for example, is one of the most useful problem people commonly encounter. The premise is simple: Given some number of independent variables that govern some dependent variable, what is the choice of the values […]

In the last post, we learned how to use the Euler-Cromer method to simulate a nonlinear system like the simple pendulum. Recall that in deriving the Euler-Cromer method, we took the Taylor expansion of and discarded terms of order or higher. Perhaps if we kept these higher order terms, we might be able to derive […]

One of the things that really made physics “click” for me was learning how to numerically simulate the systems I learned about in class. It’s one thing to write down the equations of motion for a certain problem – it’s another to actually visualize how they look like on a computer. It’s the missing link […]